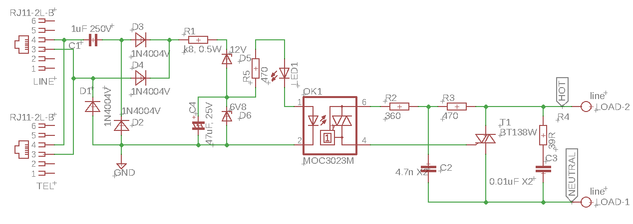
On 6/2/21 3:20 PM, Zhiniukas wrote: > Skambėjimo metu ateina lygtais 120v kintama įtampa. Gali ją > matuoti ir po to.valdyti relę su atskiru. skambučiu. Vat toks. Darytas pagal Enternetus. Bandziau - veike ant musu telefono liniju. Realiai neeksploatuotas. Lempa 60W dege be jokiu problemu pagal skambucio "takta".
